

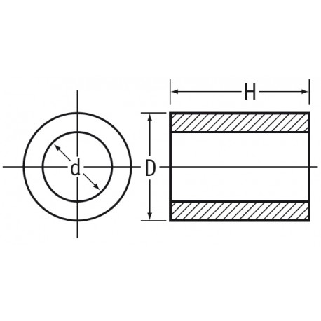
Diese Distanzhülse mit 3,4 mm glatten Innendurchmesser, durchlässt eine M3 Durchmesser Schraube.
Sie ist leicht, robust, rostfrei und elektrisch isolierend.
d = 3,4 mm
D = 6 mm
H = 8 mm
Die 3,4x6x8 : Kunststoff Distanzhülsen für 8 mm lange M3 Schrauben gehört zu Ajiles breite Palette von KUNSTSTOFF BEFESTIGUNGEN : Schrauben, Muttern, Unterlegscheiben und Distanzhalter erhältlich in verschiedene Formen und Größe.
Profitieren Sie jetzt von unsere exklusiven Angebote : Bestellen Sie in jeder beliebigen Menge und profitieren sie von unsere VOLUMENRABATT, das ist einfach Ajile !
auf 1 Bewertung
La visserie plastique étant plus chère que celle métallique, le produit reste d'un bon rapport qualité/prix