

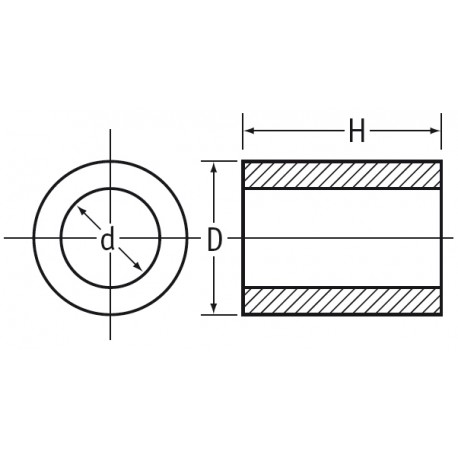
Pour fixer, espacer, supporter... Cette entretoise en plastique possède un diamètre intérieur de 3,4 mm autorisant donc le passage d'une vis de diamètre M3.
Elle est légère, solide, ne rouille pas et isole électriquement.
d = 3,4 mm
D = 6 mm
H = 20 mm
3,4x6x20 : L'Entretoise pour vis M3 longueur 20 mm en plastique, tubulaire lisse fait partie de la large gamme de FIXATIONS EN PLASTIQUE Ajile : vis, écrou, rondelle, entretoise de multiples formes et dimensions.
Profitez de l'exclusivité Ajile : n'achetez que votre quantité EXACTE et profitez des REMISES quantitatives, ça c'est Ajile !